产品分类
PRODUCT CATEGORY行业动态
MORE2022-03-05
2022-03-03
2022-03-01
2022-02-27
2022-02-25

TNY轴向型内压式波纹补偿器(金属波纹管膨胀节)主要生产用于补偿轴向位移,也可以补偿横向位移或轴向与横向合成位移,金属波纹管膨胀节具有补偿角位移的能力。
TNY轴向型内压式波纹补偿器(又名TNY轴向型内压式金属波纹管膨胀节)
TNY轴向型内压式金属波纹管膨胀节型号:本厂生产膨胀节DN32-DN8000,
TNY轴向型内压式金属波纹管膨胀节压力级别:0.1MPa-2.5MPa。
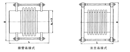
TNY轴向型内压式金属波纹管膨胀节连接方式:
①法兰连接式
②接管连接式
产品轴向补偿量:18mm-400mm。
1、该金属波纹管膨胀节结构简图

2、该金属波纹管膨胀节产品代号

举例:0.6TNY500 ×4TF
表示:公称通径为Ф500,工作压力为0.6Mpa,(6kgf/cm2)波数为4个,带导流筒,碳钢法兰连接的内压式波纹膨胀节。
3、该金属波纹管膨胀节(补偿器)结构特点
TNY轴向型内压式波纹管膨胀节(波纹补偿器)由一个波纹管和两个端接管构成,端接管或直接与管道焊接,或焊上法兰再与管道法兰连接。波纹膨胀节上的拉杆主要是运输过程中的刚性支承或作为产品予变形调整用,它不是承力件。该类波纹膨胀节结构简单,,因而优先选用。
4、该金属波纹管膨胀节特点
TNY轴向型内压式波纹管膨胀节(波纹补偿器)主要补偿轴向位移,也可以补偿横向位移或轴向与横向合成位移,具有补偿角位移的能力,便一般不应用它来补偿角位移。
5、该金属波纹管膨胀节安装使用注意事项
现场安装完后, 拆除拉杆。
6、该金属波纹管膨胀节对支座作用力的计算
内压推力:F=100·P·A 轴向弹力:Fx=Kx·(f·K)
横向弹力:Fy=Ky·Y 弯 矩:My=Fy·L
弯 矩:Mθ=Kθ·θ 合成弯矩:M=My+Mθ
式中:Fx:轴向刚度N/mm X:轴向实际移量mm
Fy:横向刚度N/mm Y:横向实际位移量mm
Kθ:角向刚度N·m/度 θ:角向实际位移量(度)
P:工作压力Mpa A:波纹管面积cm2(查样本)
L:膨胀节中点至支座的距离m
7、应用举例
某碳钢管道,公称通径500mm,工作压力0.6Mpa,介质温度300℃,环境 低温度-10℃,补偿器安装温度20℃,根据管道布局(如图),需安装一内压式波纹膨胀节(补偿器),用以补偿轴向位移动X=32mm,横向位移Y=2.8mm,角向位移θ=1.8度,已知L=4m,膨胀节(补偿器)疲劳破坏次数按15000次考虑,试就算支座A的受力。

解:(1)根据管道轴向位移X=32mm Y=2.8mm θ=1.8度
由样本查得0.6TNY500×6F的轴向位移量
Xo=84mm
横向位移量:Yo=14.4mm。角位移量θ=±1.8度。
轴向刚度Kθ=197N·m/度。用下面关系式来判断此膨胀节(补偿器)是否满足题示要求:

轴向型内压式膨胀节/>
(2)对膨胀节(补偿器)进行预变形,预变形量△X为:
![]()
因△X为正,所以出厂前要进行“预拉伸”13mm
(3)膨胀节支座A受力计算:
内压推力:F=100·P·A=100×0.6×2445=146700(N)
轴向弹力:Fx=Kx·(f·K)=282×(1/2×32)=4512(N)
横向弹力:Fy=Ky·Y=1528×2.8=4278.4(N)
弯 矩:My=Fy·L=4278.4×4=17113.6(N·m)
Mθ=Kθ·θ=197×1.8=354.66(N·m)
合成弯矩:M=My+Mθ=17113.6+354.66=17468.2(N·m)
公司名称:沧州莱特森机械设备有限公司
公司网址:
联系经理:陈经理
客服热线:13932786452
公司地址:河北省沧州市泊头市四营乡冯三番村

